هر آنچه در ادامه مطالعه خواهید کرد:
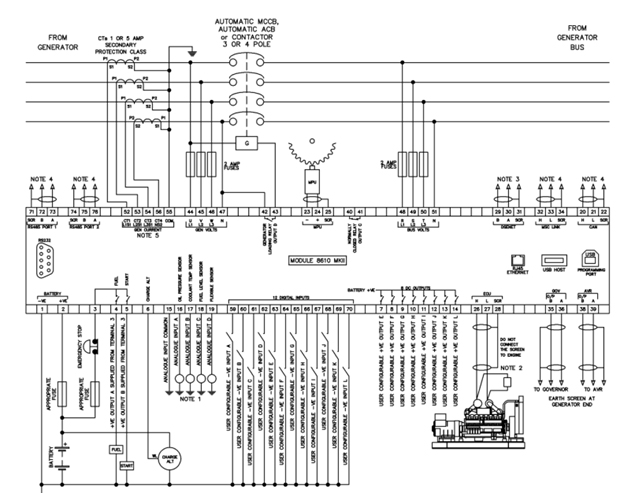
تشریح ترمینال های برد کنترلی دیپسی 8610DSE
برد سنکرون دیزل ژنراتور دیپسی ابزاری بسیار کارآمد بوده که با هدف کنترل و سنکرون پارالل سازی دو یا چندین دیزل ژنراتور باهم، طراحی و تولید شده است.
برد سنکرون دیزل ژنراتور دیپسی محصولی از یک کمپانی انگلیسی است . که به دلیل مزایای ارزندهای مانند کنترل و سنکرون ۲ تا ۳۲ دستگاه دیزل ژنراتور بهصورت همزمان، مقاومت عالی در برابر رطوبت و ورودی و خروجیهای بیشتر و باکیفیتتر توانسته به کالایی محبوب و پرطرفدار تبدیل شود.
در ادامه قصد داریم به تشریح ترمینال های برد کنترلی دیپسی 8610DSE بپردازیم.
مطالعه بیشتر : کنترلر Deep sea چیست؟
ترمینال های برد کنترلی دیپسی 8610DSE :

ترمینال ۱و۲: ورودی های DC هستند.
ترمینال۳: Emergency stop زمانی که این دکمه را فشار بدهیم ولتاژ ۲۴ ولت را از سر ۳ برداشته و به Emergency stop ارسال میکند و درنتیجه ژنراتور را stop میکند.
ترمینال 4_5:ورودی های مربوط به سوخت و استارت میباشند.
ترمینال 14_7:خروجی های DC هستند.در واقع تنظیم میشود تا مشخص کند که هرکدام از این خروجی ها چه پارامتری را برای ما بسنجند.
ترمینال 19_15:ترمینال های ورودی های میباشند. از این ورودی ها ترمینال های 16_17_18_19سنسور ها هستند که قابلیت تنظیم شدن دارن .
ترمینال های 20_21_22:مربوط به کابل CAN میباشد.
ترمینال 23_24_25:مربوط به magnetic میباشد.
ترمینال 28_27_26:مربوط به اطلاعات ECU میباشد.
ترمینال های 29_30_31:اگرexpansionداشته باشیم و بخواهیم به این برد کنترلی اضافه کنیم میتوانیم از این ترمینال ها استفاده کنیم.
ترمینال های 34_33_32:در صورت وجود موبایل سوئیچ اینتر اگر بخواهیم اطلاعات این برد از طریق اس ام اس برای کاربران ارسال گردد،باید به این ترمینال ها msc را وصل کنیم.
ترمینال های 35_36:اطلاعات مربوط به گاورنر میباشد.
ترمینال های 38_39:اطلاعات مربوط به AVR میباشد این خروجی بصورت آنالوگ بوده و میتواند هر اطلاعاتی را داشته باشد.
ترمینال های 40_41:کنتاگت نرمالی کلوز(NC) میباشد.
ترمینال های 42_43:کنتاکت نرمالی اوپن(NO) میباشد.
موقعی که ژنراتور استارت میشود این ترمینال ها تغییر وضعیت میدهند.
ترمینال های 44_45_46_47: مزبوط به ولتاژ ژنراتور میباشند. اینجا باید دقت کنیم که ترتیب فاز ها رعایت بشود.اگر یکی از سیم های کنترلی که از سمتPTمی آید اشتباهی کانکشن شده باشد میتواند موجب انفجار گردد.
ترمینال 48_49_50_51:ولتاژ سمت باس ها بوده ،به اصطلاح ولتاژ برق شهر میباشد.
ترمینال 52_53_54:جریان مربوط به ژنراتور میباشد ، سمت ثانویه CT ها به ترتیب کانکشن میشود.
*اگر Restricted earth fault نداشته باشیم 55_56 باید خالی باشد اگر داشته باشیم باید کانکشن بشوند.
ترمینال های 57_58:جریان مربوط به شبکه میباشد ،یکی از فاز ها معمولا فاز وسط جریانش را از ثانویه CT می آوریم و به 57_58 کانکشن میکنیم.
ترمینال های ۵۹تا۷۰:ورودی های دیجیتالی هستند که قابلیت تنظیم دارند که این ورودی ها چه تاثیری بر روی این میکروپرسسوری که اینجا وجود دارد داشته باشد.
ترمینال های 71_72_73:اطلاعات مربوط به پورت ۱ میباشد.
ترمینال 74_75_76:اطلاعات مربوطه به پورت ۲ میباشد.

توضیحات مربوط به ترمینال های برد کنترلی دیپسی 8610DSE
همانطور که در شکل بالا میبینید.
ترمینال های مربوط به باتری که ۱،۲ بوده از قطب منفی باتری و قطب مثبت می آید و قطب منفی به بدنه و زمین وصل گریده است.سر راه قطب مثبت یک فیوز قرار گرفته است.
ترمینال ۳: بعد از یک فیوز Emergency stop قرار میگیرد وقتی فشار میدهیم ولتاژ را از سر نقطه ۳ برداشته میشود و ژنراتور میفهمد که شما به او دستور stop صادر شده است.
از سر ۴و ۵ به ترتیب مربوط به سوخت و استارت میباشد.
ترمینال های ۶تا۱۹:به این ترمینال ها سنسور ها متصل میگردند. بعنوان مثال برای ورودی ۱۶ سنسور روغن را کانکشن کرده است البته از طریق برنامه میتوانیم این ها را تغییر بدهیم.
۵۹تا ۷۰:ورودی های ما بوده که قابل تغییر میباشند.
خروجی ها از پورت ۷ تا ۱۴ میباشند.
پورت هایCAN و گاورنر و AVR هم که کانفیقوریشن شده است و قابل تنظیم میباشند. این پورت ها از طریق برد فرمانمیگیرند که خود را چگونه تطبیق بدهند و چه میزان ولتاژ را بالا ببرند و یا دور را گاورنر به چه سطحی برسانند.
نحوه کانکشنCTها در برد کنترلی دیپسی 8610DSE
ما در اینجا ۴ تا CT داریم و توجه داشته باشید که CT نول را هم داریم و به سر ۵۶ کانکشن میشود و این سمت ژنراتور میباشد.
در وسط بار را داریم که طرف دیگرش سمت شبکه میباشد.بین کلید سمت شبکه و ژنراتور ، اینترلاک وحود دارد.
جهت مشاوره خرید و استعلام قیمت، نصب و راه اندازی، راهنمایی، گارانتی و مشخصات فنی برد کنترلی دیزل ژنراتور با کارشناسان دیزل صنعت تماس بگیرید. (۳۳۳۵۹۸۱۸ – ۰۴۱ )

